一、引言
三相异步电动机正反转控制是工厂生产线、起重设备、输送系统等工业场景中最基础也最核心的控制环节。实现正反转的核心原理很简单——调换电动机任意两相电源相序-8。但在实际工业应用中,真正决定设备能否安全稳定运行的,不是电路有多复杂,而是接线是否正确、元器件是否完好。工厂生产线一旦出现电机正反转故障,轻则停机停产,重则烧毁接触器甚至引发短路事故-8。掌握电机正反转检测方法,对工厂质检员、设备维修技师而言,是必备的核心技能。
本文将结合工厂生产线、控制柜等工业应用场景,从基础到专业,分层次讲解电机正反转接线好坏检测方法,同时兼顾新手易懂与专业精准,帮助不同基础的工业从业者快速掌握电机好坏判断和电路排查技巧。
二、前置准备
(一)工厂电机正反转检测核心工具介绍
基础款(适合工厂入门质检员、维修学徒):
数字/指针万用表:必备工具,用于测量接触器线圈电阻、触点通断、主回路相间电阻等。推荐选择具备蜂鸣档和电阻档的型号,量程至少覆盖200Ω~20kΩ。
螺丝刀套装:用于拆装接线端子和接触器辅助触点。
验电笔:通电检测前确认电源已断开,防止误操作。
专业款(适合工厂流水线批量检测、高精度校验):
兆欧表(摇表):测量电机绕组对地绝缘电阻和相间绝缘,500V或1000V规格适用于工业380V电机。
钳形电流表:检测正反转切换瞬间的启动电流和运行电流,判断是否存在过流或相间短路隐患。
接触器测试仪:专业检测接触器吸合电压、释放电压、线圈电阻、触点接触电阻等参数。
可编程控制器(PLC)监控软件:配合PLC编程软件实时监控输出点状态,验证互锁逻辑是否生效-50。
选择工具时,工厂场景需重点考虑工具的耐用性和安全性,优先选用具备过载保护功能的万用表和兆欧表。
(二)工业电机正反转检测安全注意事项(重中之重)
工业380V电机正反转控制柜涉及高压电,安全第一,以下4条必须严格执行:
断电验电,双重确认:打开控制柜进行任何检测操作前,必须断开总电源开关,并用验电笔逐一确认主回路和控制回路均已完全断电。
放电处理:若电路中涉及电容性元件(如PLC电源模块内部电容),断电后等待2~3分钟待余电释放完毕再操作。
防止相间短路:正反转控制电路中,KM1和KM2的线圈绝不能同时通电,否则将造成严重相间短路事故-8-24。通电测试前务必用万用表确认互锁回路正常。
清理接线端子:检查有无绝缘层被压入接线端子内部——这是工厂维修中最常见的隐患,绝缘层压入会导致电路无法正常接通-40。用手摇动、拉拔所有接线端子上的导线,确认无松脱。
(三)电机正反转基础认知(适配工厂精准检测)
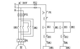
三相异步电机的正反转控制,核心是通过两只交流接触器KM1和KM2切换三相电源相序-24。工厂中常见的380V三相异步电动机,接线盒内引出U1/U2、V1/V2、W1/W2六个端子,采用星形(Y)或三角形(Δ)接法连接-11。
工业检测需重点关注以下关键参数:
接触器线圈电阻:不同型号线圈电阻不同,24V控制回路通常为400~800Ω-41,220V/380V线圈电阻值更高,需参照元件铭牌。
主触点接触电阻:正常应趋近于0Ω,阻值偏高说明触点氧化或烧蚀。
绝缘电阻:电机绕组对地绝缘电阻应大于1MΩ-41。
三、核心检测方法
(一)电机正反转基础检测法(工厂现场快速初筛)
在动用万用表之前,先做基础“望闻问切”:
1. 外观检查
检查接触器壳体有无烧焦痕迹、裂纹或变形。
检查主触点是否有明显的电弧烧伤、熔焊或粘连。
检查接线端子螺丝是否松动,导线是否被绝缘层压入端子-40。
检查热继电器FR是否已过载脱扣(复位按钮是否弹出)。
2. 听觉和触觉判断
通电测试时,听接触器吸合声音是否清脆有力。若发出“嗡嗡”声或吸合无力,可能是线圈电压不足或铁芯卡滞。
用手轻推接触器活动部件,确认无机械卡阻,弹簧回位正常-45。
若按下启动按钮后接触器发出“叭哒叭哒”的反复吸合声,说明互锁接线有误——常闭互锁触点接成了自己锁自己-38。
3. 旋转方向判断
通电测试前先拆除电机接线(仅通电控制回路),分别按下正转和反转按钮,确认两个接触器交替吸合且互锁正常-38。
恢复电机接线后,短时点动测试,观察电机转向是否符合预期。
(二)万用表检测电机正反转接线方法(新手重点掌握)
万用表是电机正反转检测最基础的工具,以下分模块详解操作方法:
模块一:主电路检查(R×10或R×100档)
将万用表两表笔分别接在主回路L1与电机U相接线端、L2与V相、L3与W相之间。正常时万用表指针应指在“∞”位置。然后保持测量点不变,手动按下KM1触头支架,此时若指针向右偏转(阻值变小),说明KM1主触点动作良好且接线正确-40。同理检测KM2。
模块二:接触器线圈检测
线圈电阻测量:用万用表电阻档测量KM1线圈两端(A1-A2),读数应与标称值一致(如24V线圈400~800Ω)。若阻值为∞,说明线圈断路;阻值过小则可能匝间短路-41。
手动吸合测试:断电状态下手动按下KM1活动部件,测量其常开触点(如13-14、53-54)应导通,常闭触点(如21-22、31-32)应断开-45。
模块三:控制电路检查
将万用表两表笔分别接在控制回路两端(如原理图中的1号和5号点),正常时指针应指“∞”。按下SB1按钮,指针向右偏转(阻值等于线圈电阻),说明SB1接线正确;松开SB1指针回∞-40。
模块四:自锁与互锁检查
自锁检查:表笔接自锁回路两端(如2号和5号点),手动按下KM1触头支架,指针应向右偏转(阻值=线圈电阻),说明自锁触点接线正确-40。
互锁检查:表笔接互锁回路两端(如4号和5号点),正常时指针应向右偏转(阻值=对方线圈电阻)。手动按下KM1,指针应偏向∞,说明互锁触点能可靠切断对方线圈回路-40。
(三)工业专业仪器检测电机正反转方法(进阶精准检测)
1. 兆欧表(摇表)检测绝缘性能
断开电机接线,用500V或1000V兆欧表测量各相绕组对地绝缘电阻,应大于1MΩ,潮湿环境建议大于5MΩ。
测量绕组相间绝缘电阻,正常也应大于1MΩ。若阻值过低,说明绕组受潮或绝缘老化-41。
2. 钳形电流表检测运行状态
电机空载启动瞬间,钳形电流表测量启动电流(通常为额定电流5~7倍),正反转切换时若出现异常峰值,可能存在互锁延时不足问题-50。
正常运行电流应在额定范围内,三相电流不平衡度不超过10%。
3. PLC程序在线监控
对于PLC控制的正反转系统,用编程软件监控Y0、Y1输出点的通断状态。若发现PLC输出已切换但接触器未动作,检查外部接触器互锁回路——即便PLC内部做了软件互锁,外部硬件互锁仍然必不可少-7。
四、补充模块
(一)工业场景不同类型电机的检测重点
1. 三相异步电动机
重点检测绕组直流电阻(三相平衡度≤2%)、绝缘电阻(≥1MΩ)、运行电流是否平衡。工厂流水线电机需特别关注频繁正反转切换对接触器触点的损耗。
2. 单相电机
内部含主绕组(运行绕组)和副绕组(启动绕组)。用万用表电阻档测量:AB阻值最大(两绕组串联),BC为副绕组阻值,AC为主绕组阻值,满足AC+BC≈AB。同时检测绕组对地绝缘-27。
3. 24V直流电机(自动化设备常见)
重点检测控制回路24V电压稳定性、接触器线圈电阻(400~800Ω)以及互锁触点通断逻辑-41。
(二)工业电机正反转检测常见误区(避坑指南)
误区一:认为PLC内部做了软件互锁,就可以省略外部接触器互锁。错!PLC输出切换时间仅10多ms,接触器触点的机械动作需要更长时间,若无外部硬件互锁,切换瞬间可能出现前一个接触器尚未完全断弧、后一个已闭合,造成相间短路烧触点-50。
误区二:只测接触器线圈是否得电,不测互锁触点是否可靠分断。互锁触点粘连是导致KM1和KM2同时吸合的常见原因,必须用万用表实测互锁回路通断。
误区三:用万用表测量绝缘电阻替代兆欧表。万用表输出电压仅3V左右,无法有效检测高压绝缘状况,电机对地绝缘必须用500V以上兆欧表测量-27。
误区四:通电测试前未拆除电机接线。应先将电机接线断开,仅通电控制回路验证接触器动作正确后再接电机-38。
误区五:忽视热继电器FR的复位方式。自动复位型热继电器的常闭触点不能直接串联在PLC输出回路,否则过载停车后会自动重启,可能造成安全事故-7。
(三)工业电机正反转失效典型案例(实操参考)
案例一:六工位浇铸机接触器频繁烧触点
某工厂六工位重力浇铸机的正反转控制电机,接触器主触点频繁烧毁,换大一档仍不解决问题。经排查发现,PLC控制程序有软件互锁但外部缺少接触器硬件互锁。PLC输出切换时间仅10多ms,而接触器触点完全分断需要更长机械动作时间,导致前一接触器尚未完全断弧、后一接触器已闭合,产生过流烧触点。增加接触器触点互锁后,问题彻底解决-50。
案例二:棉纺厂清联机组正反转短路事故
某棉纺厂前纺车间清联机组调试过程中,控制棉卷压钩电动机正反转的两只交流接触器动、静触头多次严重烧毁,引起三相电源相间短路,低压断路器触头也被烧熔。根本原因是互锁保护设计不足,正反转切换时未能可靠确保前一接触器完全释放-。
案例三:维修中易忽略的“电机缺相”误判
某设备维修中,按下正转按钮电机正转,按下反转按钮电机仍为正转。维修人员一度认为控制线短路,最终排查发现是电机缺相导致——因缺一相电,电机无法建立反向旋转磁场,只能沿正转惯性继续转动-。
五、结尾
(一)电机正反转检测核心(工厂高效排查策略)
工厂场景下的电机正反转检测,建议采用分层排查策略:
第一层:基础外观与机械检查(5分钟)
→ 检查接触器外观有无烧焦、触点有无熔焊、接线端子有无松动、热继电器有无过载脱扣。
第二层:万用表电阻法测回路(15分钟)
→ 分别测主电路、控制电路、自锁回路、互锁回路的通断和电阻值,定位具体故障点。
第三层:通电空载测试(10分钟)
→ 断开电机接线,通电验证两个接触器交替吸合且互锁正常,监听吸合声音是否正常。
第四层:专业仪器深度检测(按需进行)
→ 兆欧表测绝缘、钳形表测电流、PLC软件监控输出状态。
(二)电机正反转检测价值延伸(工业维护与采购建议)
日常维护建议:
每季度用兆欧表检测一次接触器线圈和电机绕组的绝缘电阻。
定期清理接触器触点的氧化层,检查各紧固件有无松动。
对于频繁正反转的工况(如起重机、往复输送线),建议选用大容量接触器或机械互锁型接触器-。
定期检查PLC与接触器之间的硬件互锁回路,这是防止烧触点的关键防线。
采购建议:
选购符合GB/T 14048.4-2020标准的接触器和电动机起动器产品-。
频繁正反转应用场景应选择额定电流至少为电机额定电流1.5~2倍的接触器。
优先选用带机械联锁装置的可逆接触器组件,增强互锁可靠性-。
(三)互动交流(分享工厂电机正反转检测难题)
你在工厂维修或检测电机正反转控制电路时,是否遇到过“接触器明明吸合但电机不转”“正反转切换时接触器剧烈抖动”之类的疑难问题?欢迎在评论区分享你的案例和解决经验,也欢迎关注本账号获取更多工业电机控制领域的实操干货。

